区块哈希 BlockHash 2aa2dcd95d58eb4694b38aa877be9c8195f37486838a9718409e6327df9b6b64
区块链信息 Blockchain information
交易哈希Transaction hash HSTfRycU1I1cm/MrtdWB2afqJ81x8Yk8mMlEfW4TXgs=
所在区块哈希Block hash 2aa2dcd95d58eb4694b38aa877be9c8195f37486838a9718409e6327df9b6b64
所在哈希高度Hash height
106582
上链时间Wind up time
2026-03-25 02:56:19
前序区块哈希Preorder block hash 39463e86026e17874c09f135aa223421f9f3e736b9227093bd6b2b2b50bdc20d/
扩展存证信息Extended Credential Information
艺术品基本信息Basic information of artwork

艺术品名Artistic name 秋塬清风

标注作者Author 李冠德

标注创作年代Age of creation 2018

艺术品尺寸(单位cm)Size 34cm*68cm

装裱方式Mounting mode 画心

材质Texture of material 宣纸

品相状态State 完整

特征信息图片Feature information picture
艺术品人名章Artwork name seal
艺术品与作者合影图
Group photo of artwork and author
特征点位置图Location map of feature points
特征点位置图A200倍
Figure A200 times
X0002/Y9751
https://cdn.szyj.xyz/art_block_chain/files/T00818086/200_PICT1.jpg
特征点位置图A200倍
Figure A200 times
X0002/Y9751
https://cdn.szyj.xyz/art_block_chain/files/T00818086/200_PICT2.jpg
特征点位置图A200倍
Figure A200 times
X0002/Y9751
https://cdn.szyj.xyz/art_block_chain/files/T00818086/200_PICT3.jpg
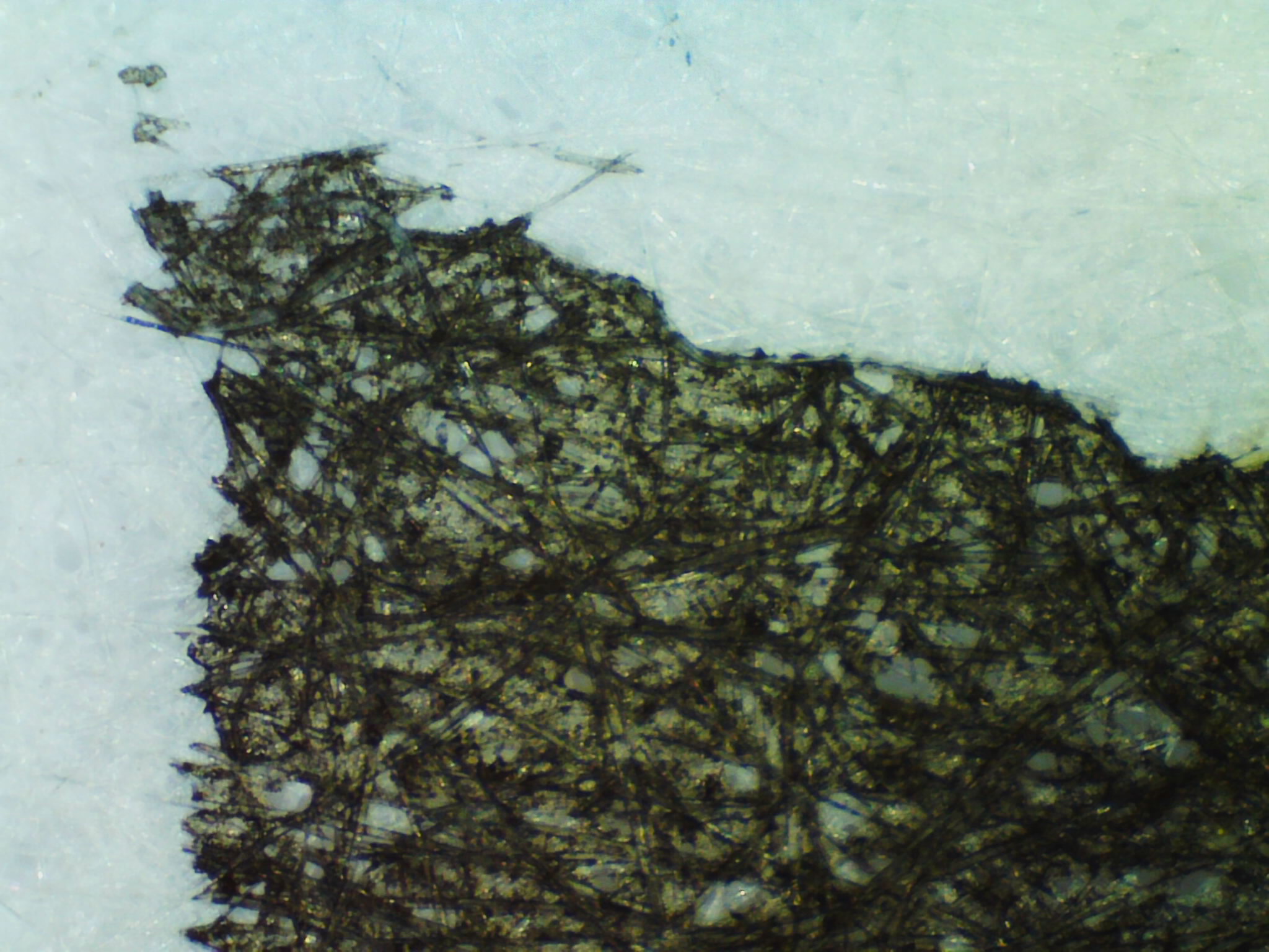
特征点位置图A60倍
Figure A60 times
X0002/Y9751
https://cdn.szyj.xyz/art_block_chain/files/T00818086/60_PICT1.jpg
特征点位置图A60倍
Figure A60 times
X0002/Y9751
https://cdn.szyj.xyz/art_block_chain/files/T00818086/60_PICT2.jpg
特征点位置图A60倍
Figure A60 times
X0002/Y9751
https://cdn.szyj.xyz/art_block_chain/files/T00818086/60_PICT3.jpg
所有权转移信息Ownership transfer information
当前艺术品所有人Current art owner 应月明