区块哈希 BlockHash ztZGzI2kDtBWwV2IAdqP+lm4d2HMsEcNLnUi/3ReU4E=
区块链信息 Blockchain information
交易哈希Transaction hash J8O1LDAYR590aeM6a/YrGelS7K1rjmDT+EaJ2Baj/fE=
所在区块哈希Block hash ztZGzI2kDtBWwV2IAdqP+lm4d2HMsEcNLnUi/3ReU4E=
所在哈希高度Hash height
2110
上链时间Wind up time
2019-07-30 13:23:36
前序区块哈希Preorder block hash SVqqQjo5TQPO5hZ5gQh9BA+kY2v+yOZo03VvFs1kDhc=/
扩展存证信息Extended Credential Information
艺术品基本信息Basic information of artwork

艺术品名Artistic name 小品系列3

标注作者Author 李冠德

标注创作年代Age of creation 2018

艺术品尺寸(单位cm)Size 34cm*68cm

装裱方式Mounting mode 画心

材质Texture of material 宣纸

品相状态State 完整

特征信息图片Feature information picture
艺术品与作者合影图
Group photo of artwork and author
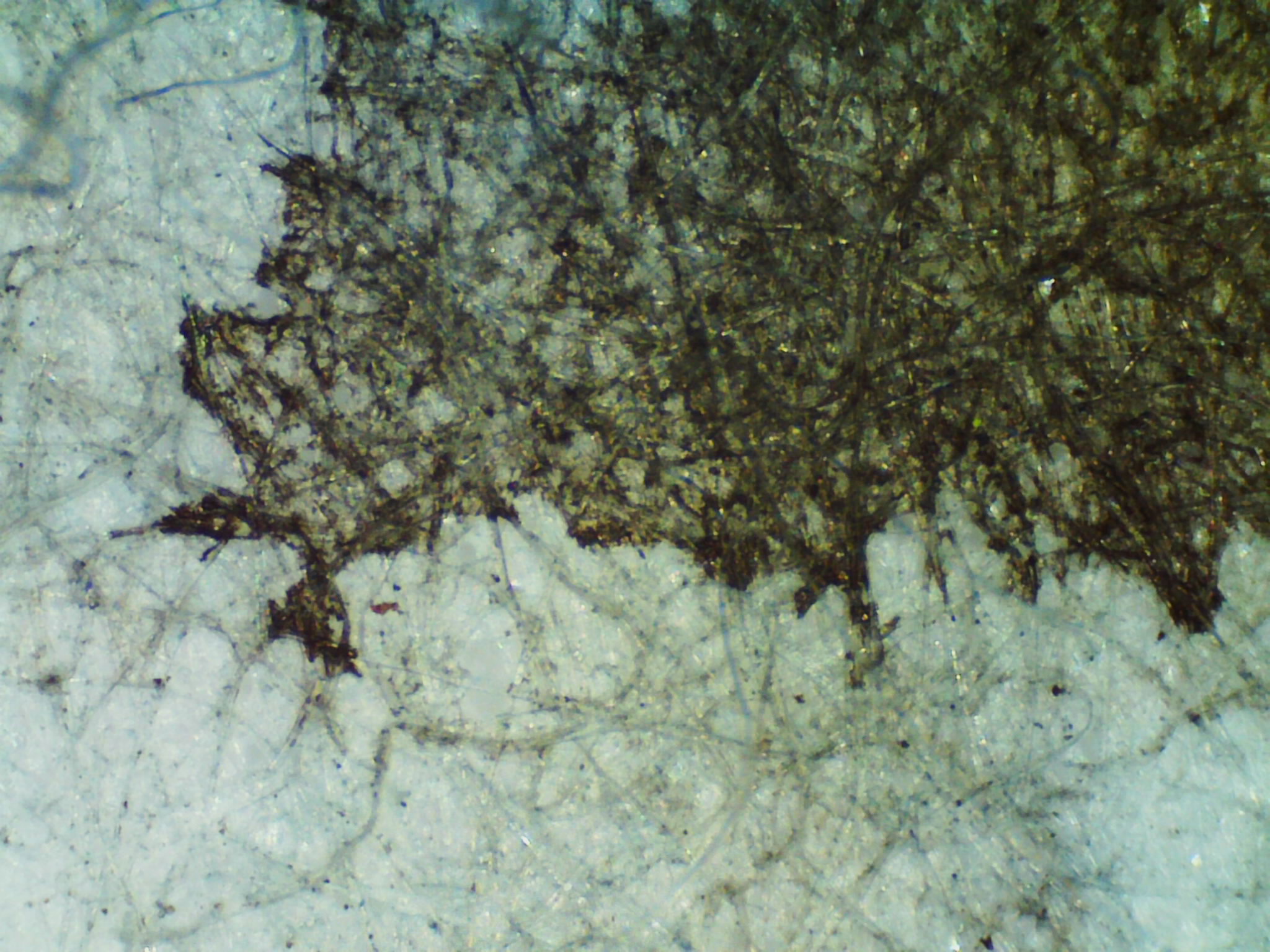
特征点位置图Location map of feature points
特征点位置图A200倍
Figure A200 times
X0002/Y9751
https://cdn.tyfon.com.cn/art_block_chain/files/T00818089/200_PICT1.jpg
特征点位置图A200倍
Figure A200 times
X0002/Y9751
https://cdn.tyfon.com.cn/art_block_chain/files/T00818089/200_PICT2.jpg
特征点位置图A200倍
Figure A200 times
X0002/Y9751
https://cdn.tyfon.com.cn/art_block_chain/files/T00818089/200_PICT3.jpg
特征点位置图A60倍
Figure A60 times
X0002/Y9751
https://cdn.tyfon.com.cn/art_block_chain/files/T00818089/60_PICT1.jpg
特征点位置图A60倍
Figure A60 times
X0002/Y9751
https://cdn.tyfon.com.cn/art_block_chain/files/T00818089/60_PICT2.jpg
特征点位置图A60倍
Figure A60 times
X0002/Y9751
https://cdn.tyfon.com.cn/art_block_chain/files/T00818089/60_PICT3.jpg
所有权转移信息Ownership transfer information
当前艺术品所有人Current art owner 平琴