区块哈希 BlockHash b482GjvZ8KgvzMv3G5OaJkS2914A2HY36VKgt103aCo=
区块链信息 Blockchain information
交易哈希Transaction hash lIbw77Vpi7E6dbTb0M42groRJb1slGN8zYkp2yrjtz8=
所在区块哈希Block hash b482GjvZ8KgvzMv3G5OaJkS2914A2HY36VKgt103aCo=
所在哈希高度Hash height
5123
上链时间Wind up time
2020-01-03 13:16:25
前序区块哈希Preorder block hash obybVaziblSdzCBETQV3RoAgsvonCefsLZ0huLZVT0o=/
扩展存证信息Extended Credential Information
艺术品基本信息Basic information of artwork

艺术品名Artistic name 一路荣华

标注作者Author 田怀良

标注创作年代Age of creation 2019

艺术品尺寸(单位cm)Size 67cm*132cm

装裱方式Mounting mode 画心

材质Texture of material 宣纸

品相状态State 完整

特征信息图片Feature information picture
艺术品人名章Artwork name seal
艺术品与作者合影图
Group photo of artwork and author
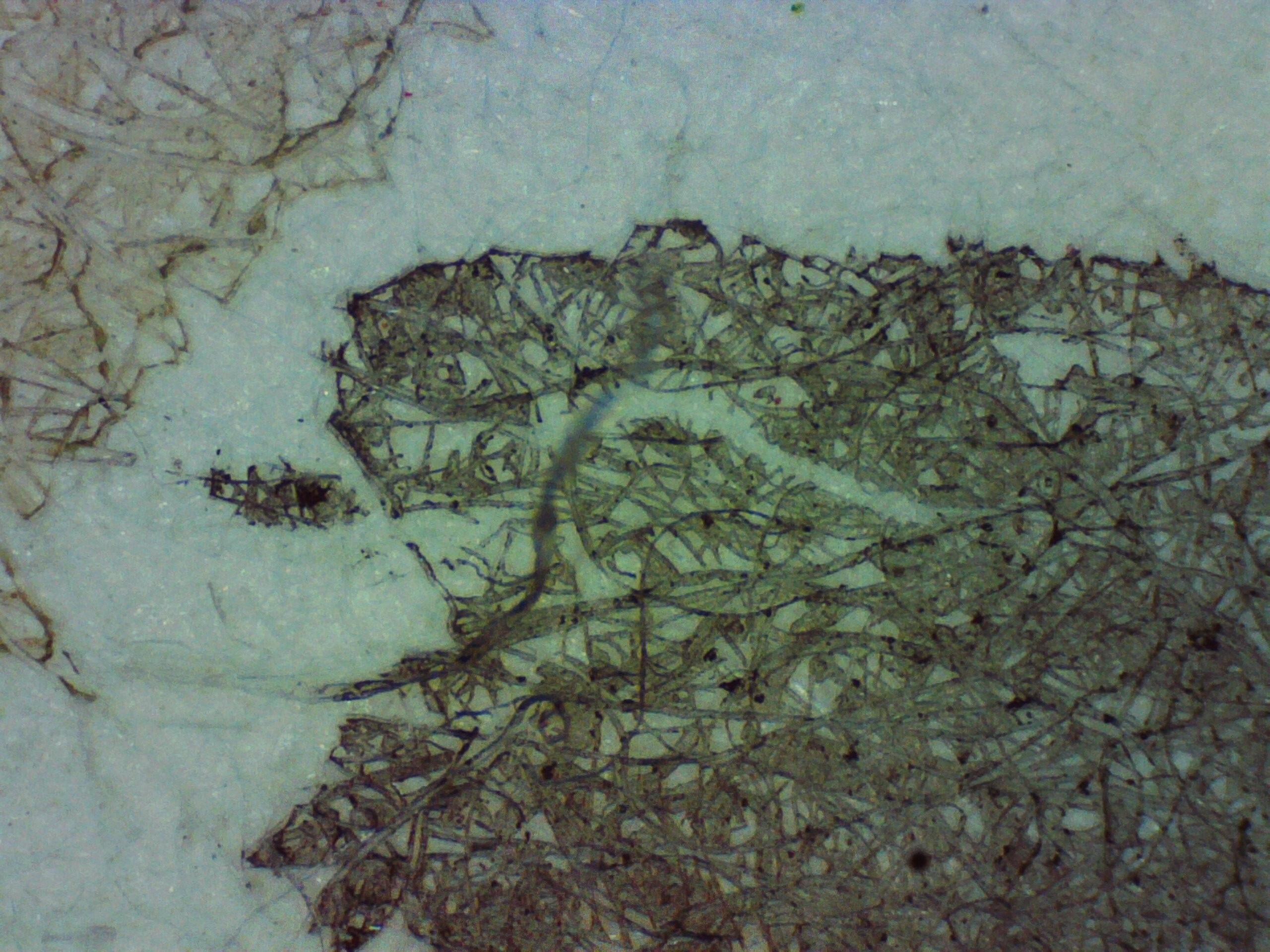
特征点位置图Location map of feature points
特征点位置图A200倍
Figure A200 times
X0002/Y9751
https://cdn.szyj.xyz/art_block_chain/files/T08219041/200_PICT1.jpg
特征点位置图A200倍
Figure A200 times
X0002/Y9751
https://cdn.szyj.xyz/art_block_chain/files/T08219041/200_PICT2.jpg
特征点位置图A200倍
Figure A200 times
X0002/Y9751
https://cdn.szyj.xyz/art_block_chain/files/T08219041/200_PICT3.jpg
特征点位置图A200倍
Figure A200 times
X0002/Y9751
https://cdn.szyj.xyz/art_block_chain/files/T08219041/200_PICT4.jpg
特征点位置图A200倍
Figure A200 times
X0002/Y9751
https://cdn.szyj.xyz/art_block_chain/files/T08219041/200_PICT5.jpg
特征点位置图A200倍
Figure A200 times
X0002/Y9751
https://cdn.szyj.xyz/art_block_chain/files/T08219041/200_PICT6.jpg
特征点位置图A200倍
Figure A200 times
X0002/Y9751
https://cdn.szyj.xyz/art_block_chain/files/T08219041/200_PICT7.jpg
特征点位置图A200倍
Figure A200 times
X0002/Y9751
https://cdn.szyj.xyz/art_block_chain/files/T08219041/200_PICT8.jpg
特征点位置图A60倍
Figure A60 times
X0002/Y9751
https://cdn.szyj.xyz/art_block_chain/files/T08219041/60_PICT1.jpg
特征点位置图A60倍
Figure A60 times
X0002/Y9751
https://cdn.szyj.xyz/art_block_chain/files/T08219041/60_PICT2.jpg
特征点位置图A60倍
Figure A60 times
X0002/Y9751
https://cdn.szyj.xyz/art_block_chain/files/T08219041/60_PICT3.jpg
特征点位置图A60倍
Figure A60 times
X0002/Y9751
https://cdn.szyj.xyz/art_block_chain/files/T08219041/60_PICT4.jpg
特征点位置图A60倍
Figure A60 times
X0002/Y9751
https://cdn.szyj.xyz/art_block_chain/files/T08219041/60_PICT5.jpg
特征点位置图A60倍
Figure A60 times
X0002/Y9751
https://cdn.szyj.xyz/art_block_chain/files/T08219041/60_PICT6.jpg
特征点位置图A60倍
Figure A60 times
X0002/Y9751
https://cdn.szyj.xyz/art_block_chain/files/T08219041/60_PICT7.jpg
特征点位置图A60倍
Figure A60 times
X0002/Y9751
https://cdn.szyj.xyz/art_block_chain/files/T08219041/60_PICT8.jpg
所有权转移信息Ownership transfer information
当前艺术品所有人Current art owner 余青桐