区块哈希 BlockHash Bc/K09tQldFkC7VCUR17aBSXUQhH4Ap9rxjy3R45h8I=
区块链信息 Blockchain information
交易哈希Transaction hash wUih5mu3veigdmQxPPU3XuGnEr8UayIUHhFlGYnApQE=
所在区块哈希Block hash Bc/K09tQldFkC7VCUR17aBSXUQhH4Ap9rxjy3R45h8I=
所在哈希高度Hash height
17790
上链时间Wind up time
2021-08-12 16:47:11
前序区块哈希Preorder block hash TuI9SybnNqfMW9mp4tpJMYE6I8TUxUUGYy643ixI5D0=/
扩展存证信息Extended Credential Information
艺术品基本信息Basic information of artwork

艺术品名Artistic name 福田匀耕勤劳致富

标注作者Author 孙培增

标注创作年代Age of creation 2016

艺术品尺寸(单位cm)Size 66cm*136cm

装裱方式Mounting mode 画心

材质Texture of material 宣纸

品相状态State 完整

特征信息图片Feature information picture
艺术品人名章Artwork name seal
艺术品与作者合影图
Group photo of artwork and author
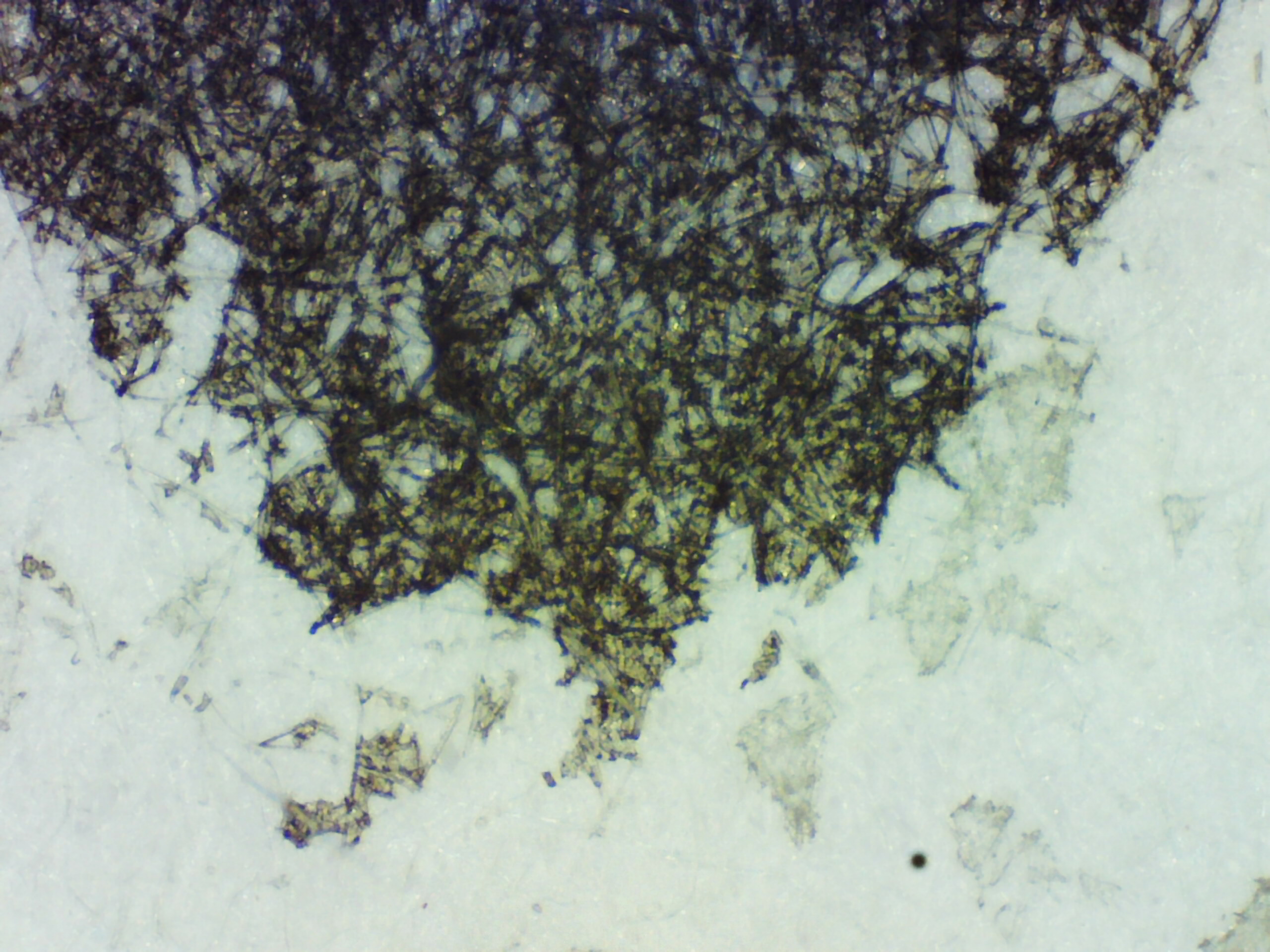
特征点位置图Location map of feature points
特征点位置图A2000倍
Figure A2000 times
X0002/Y9751
https://cdn.szyj.xyz/art_block_chain/files/T02518052/2000_20210114161255.jpg
特征点位置图A2000倍
Figure A2000 times
X0002/Y9751
https://cdn.szyj.xyz/art_block_chain/files/T02518052/2000_20210114161409.jpg
特征点位置图A2000倍
Figure A2000 times
X0002/Y9751
https://cdn.szyj.xyz/art_block_chain/files/T02518052/2000_20210114161501.jpg
特征点位置图A200倍
Figure A200 times
X0002/Y9751
https://cdn.szyj.xyz/art_block_chain/files/T02518052/200_PICT1.jpg
特征点位置图A200倍
Figure A200 times
X0002/Y9751
https://cdn.szyj.xyz/art_block_chain/files/T02518052/200_PICT2.jpg
特征点位置图A200倍
Figure A200 times
X0002/Y9751
https://cdn.szyj.xyz/art_block_chain/files/T02518052/200_PICT3.jpg
特征点位置图A200倍
Figure A200 times
X0002/Y9751
https://cdn.szyj.xyz/art_block_chain/files/T02518052/200_PICT4.jpg
特征点位置图A200倍
Figure A200 times
X0002/Y9751
https://cdn.szyj.xyz/art_block_chain/files/T02518052/200_PICT5.jpg
特征点位置图A200倍
Figure A200 times
X0002/Y9751
https://cdn.szyj.xyz/art_block_chain/files/T02518052/200_PICT6.jpg
特征点位置图A200倍
Figure A200 times
X0002/Y9751
https://cdn.szyj.xyz/art_block_chain/files/T02518052/200_PICT7.jpg
特征点位置图A200倍
Figure A200 times
X0002/Y9751
https://cdn.szyj.xyz/art_block_chain/files/T02518052/200_PICT8.jpg
特征点位置图A600倍
Figure A600 times
X0002/Y9751
https://cdn.szyj.xyz/art_block_chain/files/T02518052/600_20210114161117.bmp
特征点位置图A600倍
Figure A600 times
X0002/Y9751
https://cdn.szyj.xyz/art_block_chain/files/T02518052/600_20210114161136.bmp
特征点位置图A600倍
Figure A600 times
X0002/Y9751
https://cdn.szyj.xyz/art_block_chain/files/T02518052/600_20210114161210.bmp
特征点位置图A60倍
Figure A60 times
X0002/Y9751
https://cdn.szyj.xyz/art_block_chain/files/T02518052/60_PICT1.jpg
特征点位置图A60倍
Figure A60 times
X0002/Y9751
https://cdn.szyj.xyz/art_block_chain/files/T02518052/60_PICT2.jpg
特征点位置图A60倍
Figure A60 times
X0002/Y9751
https://cdn.szyj.xyz/art_block_chain/files/T02518052/60_PICT3.jpg
特征点位置图A60倍
Figure A60 times
X0002/Y9751
https://cdn.szyj.xyz/art_block_chain/files/T02518052/60_PICT4.jpg
特征点位置图A60倍
Figure A60 times
X0002/Y9751
https://cdn.szyj.xyz/art_block_chain/files/T02518052/60_PICT5.jpg
特征点位置图A60倍
Figure A60 times
X0002/Y9751
https://cdn.szyj.xyz/art_block_chain/files/T02518052/60_PICT6.jpg
特征点位置图A60倍
Figure A60 times
X0002/Y9751
https://cdn.szyj.xyz/art_block_chain/files/T02518052/60_PICT7.jpg
特征点位置图A60倍
Figure A60 times
X0002/Y9751
https://cdn.szyj.xyz/art_block_chain/files/T02518052/60_PICT8.jpg
所有权转移信息Ownership transfer information
当前艺术品所有人Current art owner 张兰英